Detailzeichnungen Aufsatzrollladen PTP

Inhaltsverzeichnis:

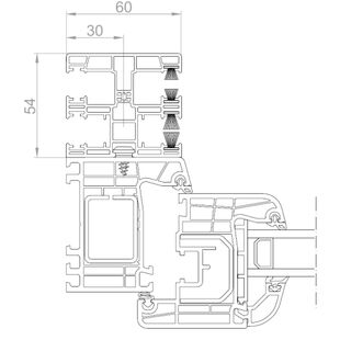
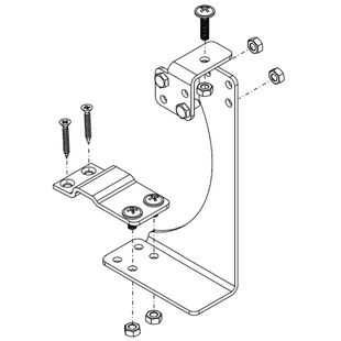
Aufsatzrollladen PTP Explosionszeichnung

Aufsatzrollladen PTP Explosionszeichnung

Explosionszeichnung PTP

  1. Blendklappe
  2. Anpassungsprofil universal
  3. Unterprofil des Kastens
  4. Oberprofil des Kastens
  5. Seitenprofil des Kastens
  6. Untere Revisionsklappe
  7. Profil des Kastens - Verbinder
  8. Unterprofil Ergänzung
  9. Unteres Seitenprofil
  10. Doppelführungsschiene
  11. Seitenblende für Kasten
  12. Kastengurtführung
  13. Einlauftrichter
  14. Putzleiste
  15. Aluminiumeinsatz für Adapter
  1. Styroporeinsatz für Kasten
  2. Styroporeinsatz unten
  3. Zusätzlicher Styroporeinsatz lang
  4. Styroporeinsatz seitlich
  5. Blendenarmierung klein
  6. Obere Kastenverstärkung
  7. Seitenhalterung Stahl
  8. Seitenhalterung Stahl
  9. Montageanker Stahl
  10. Lager für PVC
  11. Walzenkapsel für PVC mit Schaft
  12. Vergößerungsring
  13. Achtkantwelle
  14. Gurtscheibe für Kasten

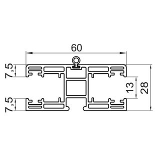
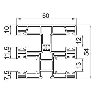
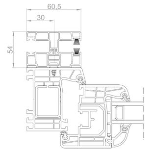
Aufsatzrollladen PTP Kastenformen Querschnitte

Aufsatzrollladen PTP mit Kastenhöhe 180mm

Aufsatzrollladen PTP 180mm

Aufsatzrollladen PTP mit Kastenhöhe 220mm

Aufsatzrollladen PTP 220mm

Aufsatzrollladen PTP mit Kastenhöhe 250mm

Aufsatzrollladen PTP 250mm

Aufsatzrollladen PTP Kastenformen mit Insektenschutz

Aufsatzrollladen PTP mit Kastenhöhe 180mm mit Insektenschutz

Aufsatzrollladen PTP 180mm mit Insektenschutz

Aufsatzrollladen PTP mit Kastenhöhe 220mm mit Insektenschutz

Aufsatzrollladen PTP 220mm mit Insektenschutz

Aufsatzrollladen PTP mit Kastenhöhe 250mm mit Insektenschutz

Aufsatzrollladen PTP 250mm mit Insektenschutz

Aufsatzrollladen PTP Kasten mit Verbreiterung (Seitenvertiefung)

Aufsatzrollladen PTP 220mm mit Vertiefung 31mm

Aufsatzrollladen PTP 220mm mit Vertiefung 31mm

Aufsatzrollladen PTP 220mm mit Vertiefung 62mm

Aufsatzrollladen PTP 220mm mit Vertiefung 62mm

Aufsatzrollladen PTP 250mm mit Vertiefung 31mm

Aufsatzrollladen PTP 250mm mit Vertiefung 31mm

Aufsatzrollladen PTP 250mm mit Vertiefung 62mm

Aufsatzrollladen PTP 250mm mit Vertiefung 62mm

Aufsatzrollladen PTP 220mm mit Insektenschutz und Vertiefung 31mm

Aufsatzrollladen PTP 220mm mit Insektenschutz und Vertiefung 31mm

Aufsatzrollladen PTP 220mm mit Insektenschutz und Vertiefung 62mm

Aufsatzrollladen PTP 220mm mit Insektenschutz und Vertiefung 62mm

Aufsatzrollladen PTP 250mm mit Insektenschutz und Vertiefung 31mm

Aufsatzrollladen PTP 250mm mit Insektenschutz und Vertiefung 31mm

Aufsatzrollladen PTP 250mm mit Insektenschutz und Vertiefung 62mm

Aufsatzrollladen PTP 250mm mit Insektenschutz und Vertiefung 62mm

Aufsatzrollladen PTP Verstärkung NPT-010 und NPT-020

Aufsatzrollladen PTP Verstärkung NPT-010 und NPT-020

Aufsatzrollladen PTP Revisionsklappen Öffnungsarten

Aufsatzrollladen PTP 180mm Revisionsklappen

Aufsatzrollladen PTP 180mm Revisionsklappen

Aufsatzrollladen PTP 220mm Revisionsklappen

Aufsatzrollladen PTP 220mm Revisionsklappen

Aufsatzrollladen PTP 250mm Revisionsklappen

Aufsatzrollladen PTP 250mm Revisionsklappen

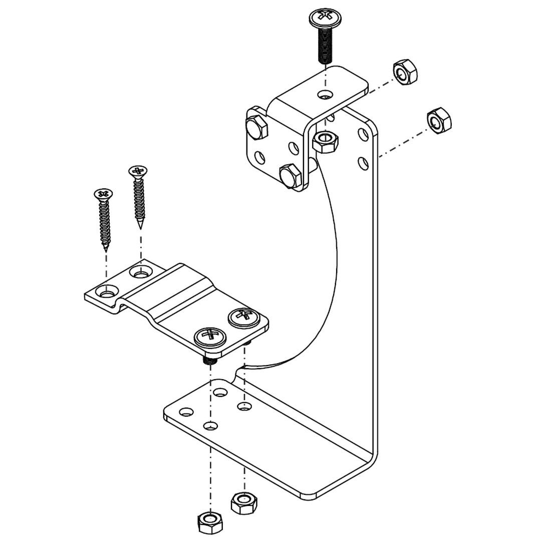
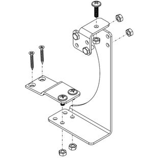
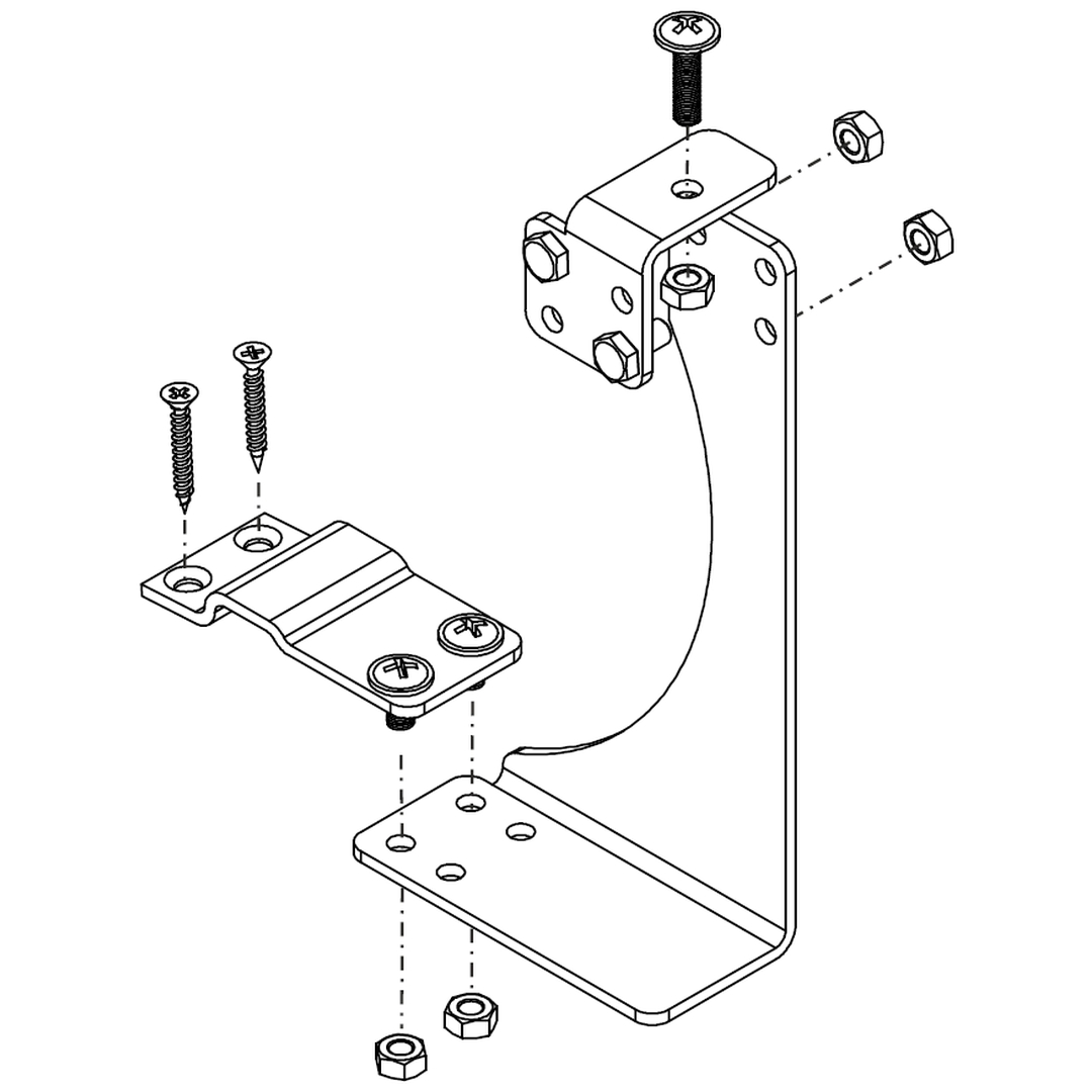
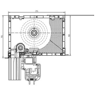
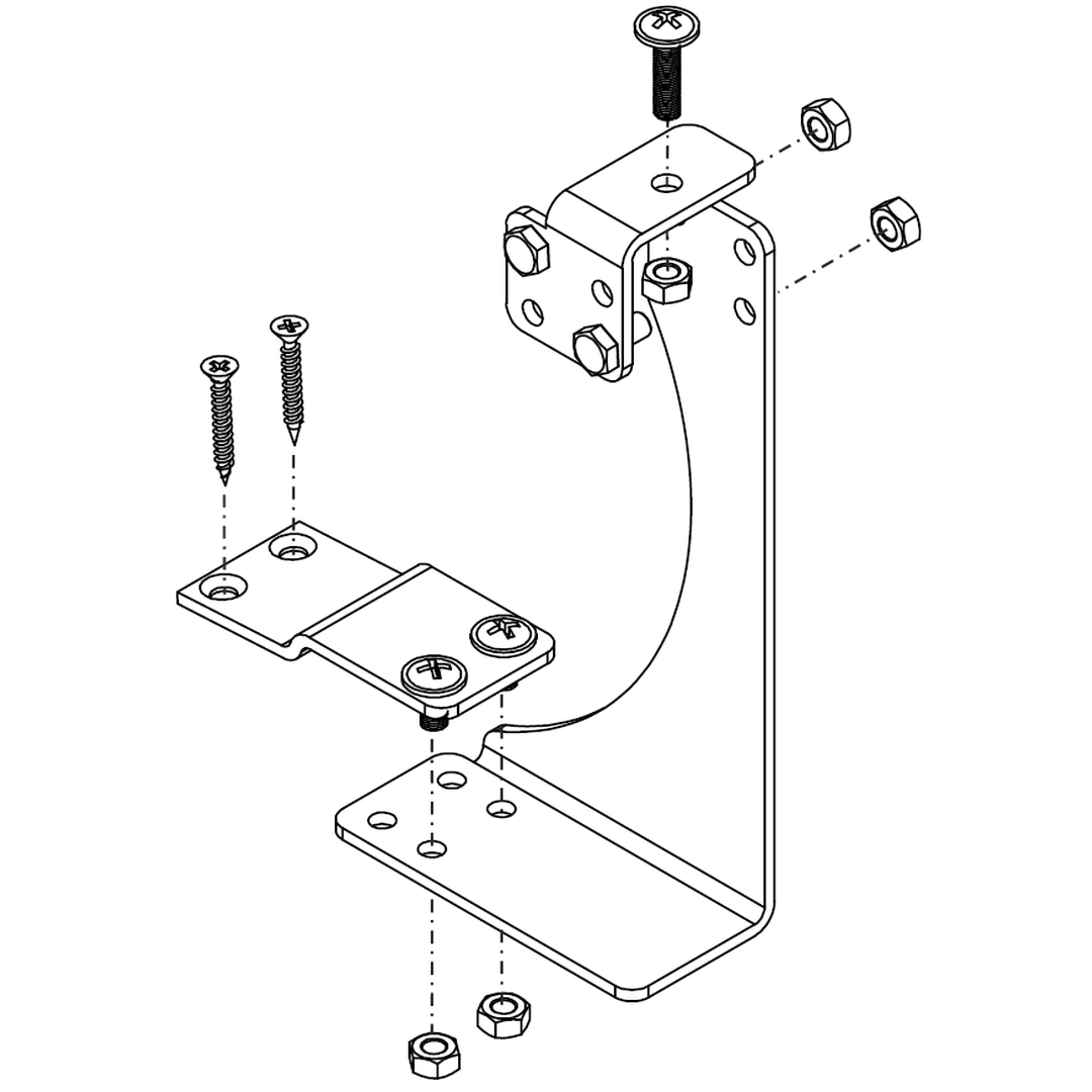
Aufsatzrollladen PTP Konsole und Montageanker

Aufsatzrollladen PTP Konsole NPTK

Aufsatzrollladen PTP Konsole NPTK

Aufsatzrollladen PTP Konsole NPTK Verstärkung unten

Aufsatzrollladen PTP Konsole NPTK Verstärkung unten

Aufsatzrollladen PTP mit Insektenschutz Konsole NPTK

Aufsatzrollladen PTP mit Insektenschutz Konsole NPTK

Aufsatzrollladen PTP Konsole mit Insektenschutz NPTK Verstärkung unten

Aufsatzrollladen PTP mit Insektenschutz Konsole NPTK Verstärkung unten

Aufsatzrollladen PTP mit Montageanker NPT-050

Aufsatzrollladen PTP mit Montageanker NPT-050

Aufsatzrollladen PTP Montageanker NPT-050

Aufsatzrollladen PTP Montageanker NPT-050

Aufsatzrollladen PTP Einzelteile

Adapterprofile für Aufsatzrollladen PTP

Aufsatzrollladen PTP Adapterprofil NPS-010 universal

Aufsatzrollladen PTP Adapterprofil NPS-010 universal

Aufsatzrollladen PTP Adapterprofil NPS-011 universal

Aufsatzrollladen PTP Adapterprofil NPS-011 universal

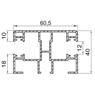
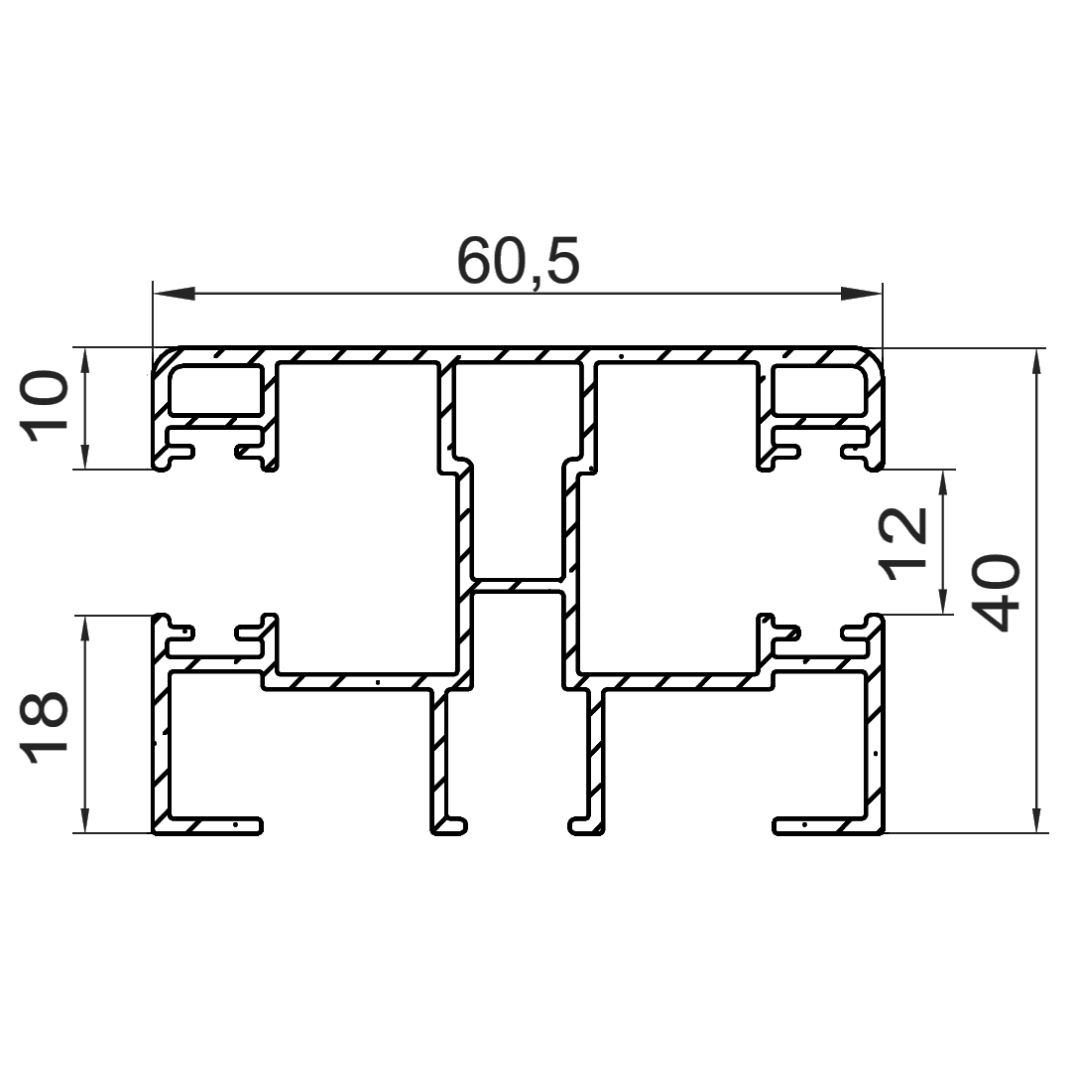
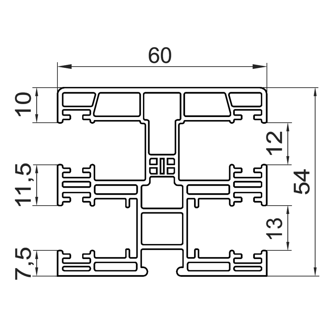
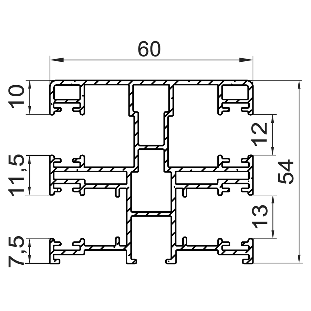
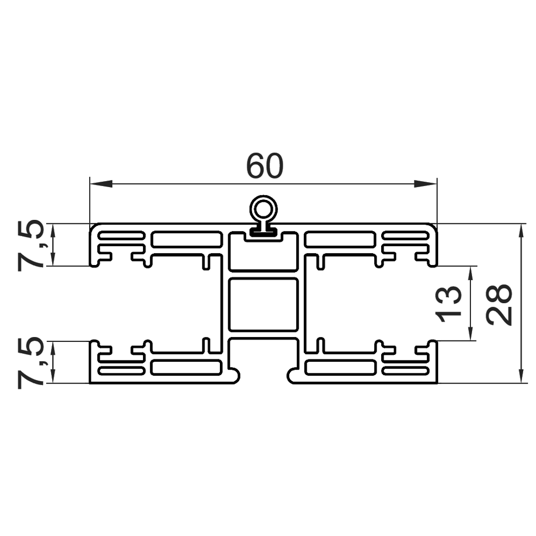
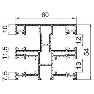
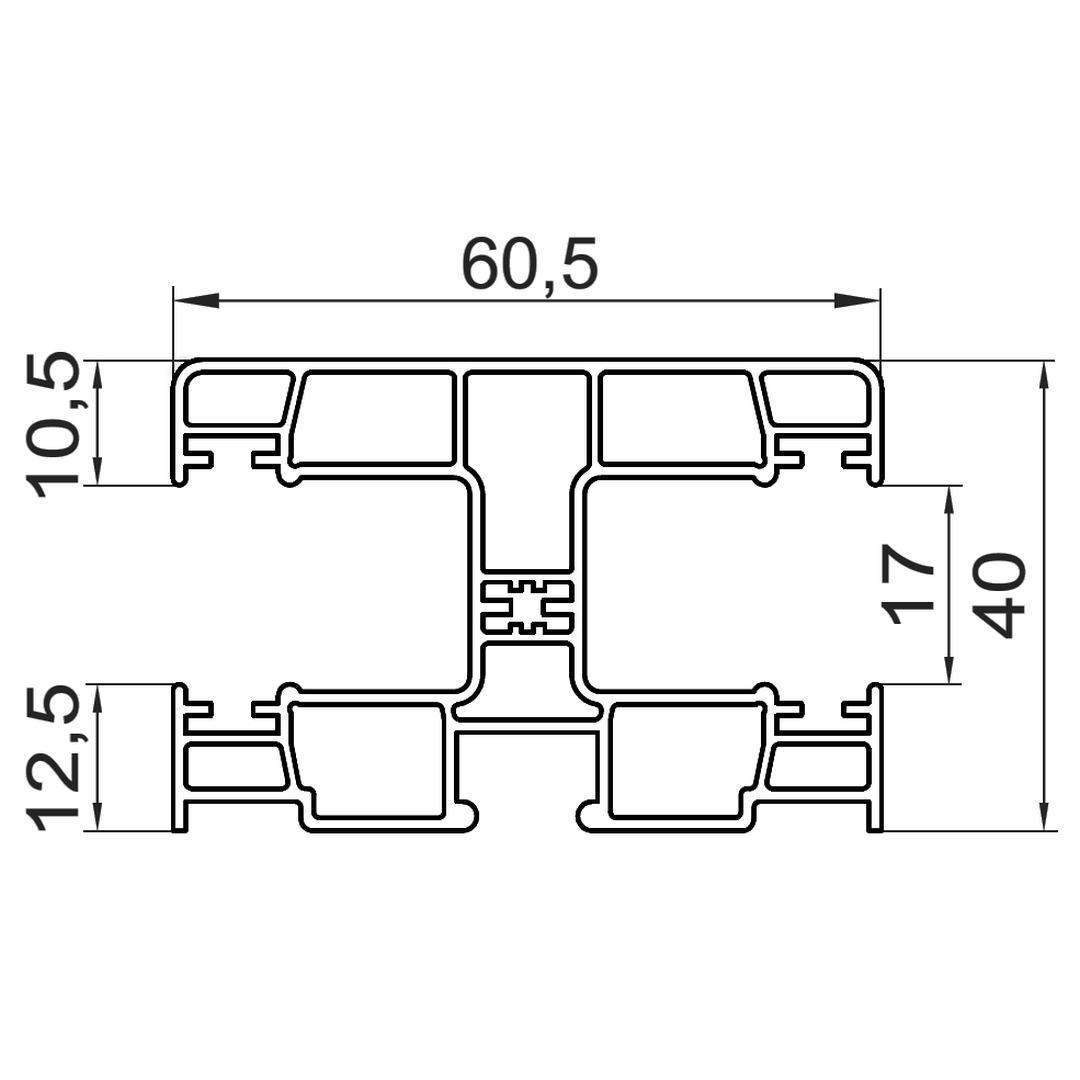
Führungsschienen für Aufsatzrollladen PTP

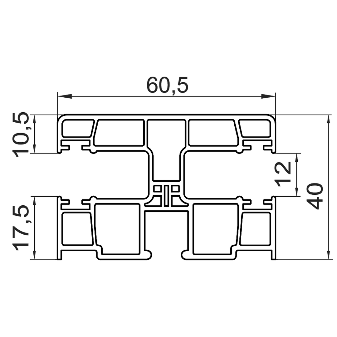
Führungsschiene NPR-020 Doppel

Führungsschiene NPR-020 Doppel

Führungsschiene NPR-010 mit Insektenschutz - Doppel

Führungsschiene NPR-010 mit Insektenschutz - Doppel

Führungsschiene NPR-030 zur Teilung des Insektenschutzes

Führungsschiene NPR-030 zur Teilung des Insektenschutzes

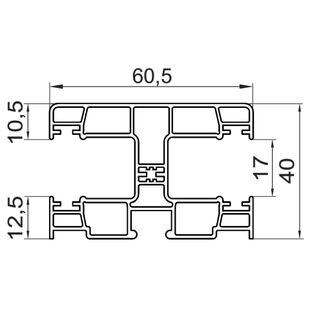
Alu Führungsschiene NPR-040 Doppel

Alu Führungsschiene NPR-040 Doppel

Alu Führungsschiene NPR-050 mit Insektenschutz Doppel

Alu Führungsschiene NPR-050 mit Insektenschutz Doppel

Führungsschiene RK-18 Maxi Doppel

Führungsschiene RK-18 Maxi Doppel

Blenden für Führungsschienen

Führungsschiene RK-18 mit Blende NPD-220

Führungsschiene RK-18 mit Blende NPD-220

Führungsschiene RK-18 mit Blende NPD-230

Führungsschiene RK-18 mit Blende NPD-230

Führungsschiene Blende NPD-090

Führungsschiene Blende NPD-090

Führungsschiene Blende NPD-080

Führungsschiene Blende NPD-080

Rollladenpanzer Lamellen (Profile)

Lamelle PA39 Alu technische Zeichnung

Rollladenprofil PA 39mm (Alu)

Lamelle PA45 Alu technische Zeichnung

Rollladenprofil PA 45mm (Alu)

Lamelle PA52 Alu technische Zeichnung

Rollladenprofil PA 52mm (Alu)

Aufsatzrollladen Endleisten (Abschlussleisten)

Rollladen Endleiste 35mm Mini für Aluminium-Panzer Detail

Rollladenpanzer Endleiste LD 35mm Mini

Rollladen Endleiste 37mm für Aluminium-Panzer Detail

Rollladenpanzer Endleiste LD 37mm

Aufsatzrollladen PTP Antriebsbohrungen

Aufsatzrollladen PTP Antriebsbohrungen Gurtausgang

Aufsatzrollladen PTP Gurtausgang Kasten 180mm

Aufsatzrollladen PTP Gurtausgang Kasten 180mm

Aufsatzrollladen PTP Gurtausgang Kasten 180mm mit Insektenschutz

Aufsatzrollladen PTP Gurtausgang Kasten 180mm mit Insektenschutz

Aufsatzrollladen PTP Gurtausgang Kasten 220mm

Aufsatzrollladen PTP Gurtausgang Kasten 220mm

Aufsatzrollladen PTP Gurtausgang Kasten 220mm mit Insektenschutz

Aufsatzrollladen PTP Gurtausgang Kasten 220mm mit Insektenschutz

Aufsatzrollladen PTP Gurtausgang Kasten 250mm

Aufsatzrollladen PTP Gurtausgang Kasten 250mm

Aufsatzrollladen PTP Gurtausgang Kasten 250mm mit Insektenschutz

Aufsatzrollladen PTP Gurtausgang Kasten 250mm mit Insektenschutz

Aufsatzrollladen PTP Antriebsbohrungen Kurbelausgang

Aufsatzrollladen PTP Kurbelgetriebe Kasten Typ A

Aufsatzrollladen PTP Kurbelgetriebe Kasten Typ A

Aufsatzrollladen PTP Kurbelgetriebe Kasten Typ B

Aufsatzrollladen PTP Kurbelgetriebe Kasten Typ B

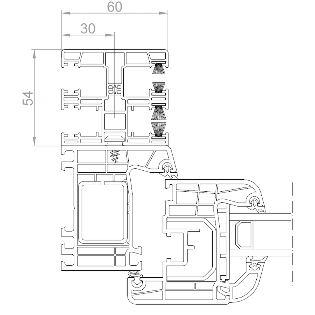
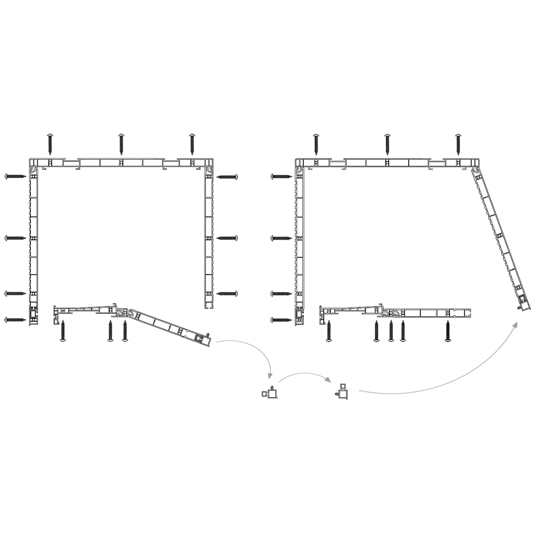
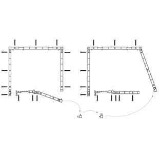
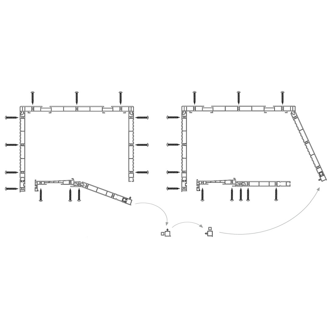
Aufsatzrollladen PTP Montagearten

Aufsatzrollladen Führungsschienen PTP - Einbaubeispiel:

Führungsschiene NPR-020 Montage

Führungsschiene NPR-020 Montage

Führungsschiene NPR-010 mit Insektenschutz Montage

Führungsschiene NPR-010 mit Insektenschutz Montage

Führungsschiene NPR-030 zur Teilung des Insektenschutzes - Montage-Beispiel

Führungsschiene NPR-030 zur Teilung des Insektenschutzes - Montage-Beispiel

Drutex Fensterlieferung

Kostenlose Lieferung

Ab einer Bestellung von 10 Fenstern deutschlandweit!

Jetzt Angebot für Aufsatzrollladen anfordern

Das könnte Sie auch interessieren:

Aufsatzrollladen PCC

Detailzeichnungen Aufsatzrollladen PCC 160mm

Der Aufsatzrollladen PCC ist eine kostengünstige Lösung mit niedriger Wärmedämmung.

Detailzeichnungen Aufsatzrollladen PCC