Gemakkelijk en comfortabel Drutex Softline-68 kozijnen en deuren online configureren en bestellen bij kozijnenblik.nl
Houten kozijnen - Drutex Softline-68
Het populaire houten systeem met afgeronde randen
- Hoge kwaliteit dennen-, lariks- of merantihout
- Gelaagde frame met 68 mm diepte
- Sealingssysteem van TPE
- Maximale glasdikte tot 32 mm
- Veiligheidsbeslag MACO Multi Matics KS met paddenstoelvergrendelingen
vanaf 97,62 €
incl. 21% BTW excl. verzendkosten
Productbeschrijving
Onze houten kozijnen in het Softline-systeem zijn zowel elegant als duurzaam
De kozijnen uit dennen- of merantihout in het Softline-systeem vallen op door hun moderne en tegelijkertijd esthetische uitstraling. De verwerking van hoogwaardig massief hout, dat eerst op een speciale manier wordt gedroogd en vervolgens in drie lagen wordt gelijmd, garandeert langdurige weerstand tegen kromtrekken, scheuren en andere slijtageverschijnselen. Bovendien wordt de levensduur van de houten kozijnen verlengd door een initiële anti-schadegrondlaag en een afsluitende impregnatie van het hout met ecologische lak. De raamdorpels en onderste vleugelranden zijn beschermd met aluminium waterafvoeren, waarvan de lichte ronding perfect harmonieert met het ontwerp van het gehele kozijn. Deze beschermen het hout tegen UV-straling en leiden het water dat over het glas stroomt af. Door de afgeronde vorm krijgt het profiel een gestroomlijnde vorm met een gladde, glanzende afwerking.
Verder naar detailtekeningen - Softline-68
Uw voordelen in één oogopslag
- Uitstekende kwaliteit door hoogwaardige materialen en het exclusieve gebruik van geselecteerde houtsoorten voor de productie van gelamineerde kozijnen
- Hoogste veiligheid door het gebruik van innovatieve MACO MULTI MATIC KS beslag ter bescherming tegen inbraak
- Modern innovatief ontwerp met gelijke functionaliteit en een breed kleurengamma om uit te kiezen
- Bestendigheid door lakken tegen schimmels en insecten, en een aluminium waterafvoer die het hout beschermt tegen UV-straling en water van de ruit
- Afhankelijk van de klantwens keuze uit dubbele of driedubbele beglazing. Optioneel een breed scala aan geluidsisolatie-, veiligheids- of structureel glas beschikbaar
Grote kleurkeuze aan beitsen voor de houten profielen
Bij onze houten kozijnen is de structuur van het hout in de standaarduitvoering zichtbaar. De gebruikte verf voor beitsen is oplosbaar in water en milieuvriendelijk. Door aanvullende implementaties en primers wordt de levensduur van onze houten producten verder verlengd. Daarnaast zijn de houten kozijnen, volgens uw wensen, ook verkrijgbaar in alle dekkleuren van het RAL-kleurenspectrum.
Die präsentierten Farben und Maserungen können von der Realität abweichen. (Klicken Sie auf Ihre Wunschfarbe)
Drutex Softline-68 kozijnen en deuren op maat
Warme beglazing voor warm hout
Voor optimale isolatie is niet alleen het profiel bepalend, maar ook de juiste glaskeuze. Het emissiearme, gecoate isolatieglas SGG PLANTITHERM ®XN maakt dankzij de speciale Thermofloat een Ug-waarde van 1,1 W/m²K mogelijk, zelfs in standaard dubbele beglazing. In combinatie met het van nature warmte-isolerende houten profiel wordt een zeer lage warmteoverdrachtscoëfficiënt bereikt, wat merkbaar uw verwarmingskosten verlaagt. Een waardevolle aanvulling is de Warme Kante SWISSPACER ULTIMATE. In tegenstelling tot de traditionele aluminium afstandshouder is deze gemaakt van kunststof en heeft daardoor een lagere warmtegeleidingscapaciteit.
Meer informatie over raamverglasingen
Inbraakbeveiliging en functionaliteit
Voor langdurig gebruiksgemak van de vaak zware houten raamvleugels worden hoogwaardige beslagstukken van het bedrijf MACO gemonteerd. De serie MACO MULTI MATIC KS zorgt voor voortdurende functionaliteit bij minimaal krachtgebruik. Bovendien beschermen de beslagstukken met veiligheidspaddestoelspanen tegen het uithevelen van de vleugel en verhinderen zo dat inbrekers ongehinderd toegang krijgen. Afhankelijk van de weerstandsklasse kan het aantal pennen en veiligheidssluitplaten worden verhoogd. Daarnaast optimaliseren ze de raamdruk, waardoor het raam bijzonder dicht is en waardevolle energie kan worden bespaard. De 45°-kanteling maakt frisse ventilatie mogelijk.
Meer informatie over raam beslagstukken
Uitzonderlijke esthetiek – Roedels en sierlijsten
De gezellige warmte van houten kozijnen wordt optimaal aangevuld met bijpassende houten roedels. Hun unieke charme komt vooral tot uiting bij oude en historische gebouwen, waar ze het typische karakter van het pand versterken. Er zijn drie soorten roedels: traditionele roedels die het glas verdelen, de praktische, inwendige Helima-roedels en de Wiener-roedels die op de ruit worden geplakt. Deze zijn bijzonder geschikt voor het upgraden van bestaande kozijnen. Maar ook sierprofielen en kapitelen zijn bij houten kozijnen, vooral bij de restauratie van beschermde monumenten, onmisbaar. Filigraan versieringen van waardevol hout worden direct in de fabriek nauwkeurig volgens uw gewenste sjabloon gemonteerd. Zo kunt u uw afgewerkte kozijn direct installeren.
Meer informatie over houten kozijnen met roedels
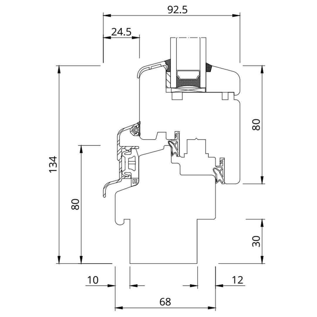
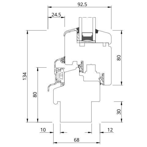
Technische doorsneden en detailtekeningen
Houten kozijnen zijn de belichaming van gezellig wonen. Ze stralen een behaaglijke sfeer uit en zorgen bovendien voor uitstekende energie-efficiëntie. Om hun volledige effect te bereiken, is een vakkundige installatie essentieel. Plan daarom uw bouwproject van tevoren tot in de kleinste details. De uitgebreide technische tekeningen van het Softline-68 profiel helpen u daarbij, aangezien ze alle afmetingen, componenten en details van de elementen bevatten. Zo staat een naadloze planning niets meer in de weg. Daarnaast vindt u praktische doorsneden van sierprofielen, kopstukken en sierlijsten, die dankzij de gebogen patronen een traditionele uitstraling mogelijk maken. U heeft ook de keuze uit opgezette, inwendige en glasdelende roedels, waarvan de afmetingen ook in de technische tekeningen zijn aangegeven. Zo kunt u uw kozijnen de laatste hand leggen.
Verder naar detailtekeningen - Softline-68
Tot in de details geconstrueerd - Raamaccessoires
Bij een perfect kozijn zijn alle componenten op elkaar afgestemd. Dit komt tot uiting in de kleurkeuze en het materiaalgebruik. Passende binnenraamdorpels van dennen-, meranti- of lariks-hout kunt u gemakkelijk toevoegen en in de gewenste kleur laten beitsen. Ook de zichtbare geleiderails van de opzetrolluiken kunnen we in hout aanbieden. Alleen de kast is van kunststof, maar deze verdwijnt onder de pleisterlaag. Een bijzonder hoogtepunt zijn de weerschenken. Naast de robuuste aluminiumlijsten zijn deze ook in hout verkrijgbaar (Retro, Donau 1805) en worden ze vooral gebruikt in monumentenzorg of historische gebouwen.
Meer informatie over raamaccessoires
Online goedkope houten kozijnen van dennen, meranti of lariks
De frameprofielen van dennen-, lariks- of merantihout bieden een hoge bestendigheid en stabiliteit evenals een eersteklas warmte-isolatie. Daarnaast kunnen de energie-efficiënte houten kozijnen worden uitgerust met isolatieglas voor optimale warmtebescherming of veiligheidsglas voor verhoogde bescherming tegen inbraak en diefstal.
Afbeeldingengalerij: Houten kozijnen Softline
Voor veel natuur in uw eigen huis
Houten kozijnen beïnvloeden niet alleen het totale beeld van het huis door hun natuurlijke nerf en vertegenwoordigen een uniek karakter, maar ze staan ook voor een bijzondere sfeer en warme uitstraling door hun hoge warmte-isolerende eigenschappen. Als natuurlijke en vooral hernieuwbare grondstof zijn de energiezuinige kozijnen ook uitstekend geschikt voor elke milieuvriendelijke bouwstijl.
Houten kozijnen online bestellen tegen de beste prijs
Configureer uw gewenste kozijn op maat in de online configurator en bereken de prijzen op basis van uw individuele uitrusting. Ontwerp uw houten kozijn naar houtsoort, kleurkeuze, beglazing en andere extra's zoals roedels of opzetrolluiken en vergelijk eenvoudig en comfortabel de prijzen van uw houten kozijnconfiguratie. Door de online directe verkoop kunnen zo lage prijzen worden aangeboden ondanks de hoge kwaliteit en nauwkeurige uitvoering.
Gratis levering
Bij een bestelling van 10 ramen of meer in Nederland!
Meer producten van Drutex:
Drutex kozijnen | Drutex Voordeuren | Drutex Softline-68 | Drutex Softline-78 | Drutex Softline-88 | Drutex Softline HS
Samenvatting: Productinformatie
Houten kozijnen Softline 68 (IV-68)
Het Softline-68 kozijn van Drutex van hout heeft een drielaags verlijmd massief houten frame voor een bijzondere warmte-isolatie en bestendigheid. Met de extra gemonteerde beslagstukken van MACO wordt een uitstekende inbraakbeveiliging en energiebesparing bereikt.
- Merk: Drutex
- Profiel: Softline-68
- Materiaal: Houten kozijn
- Breedte: vanaf 350 mm
- Hoogte: vanaf 350 mm
- Kleur: Natuurlijke houtkleur (andere kleuren mogelijk)
- Beschikbaarheid: Leverbaar
- Staat: Nieuw
- Prijs: op aanvraag
- Online-shop: kozijnenblik.nl
