Holzfenster mit Rollladen

Keine Kompromisse bei Wärmeschutz und Sicherheit! Rollläden sind eine perfekte Ergänzung für Ihre Holzfenster. Sie erhöhen die Schalldämmung und sorgen so für noch mehr Wohnkomfort. Darüber hinaus sind Rollläden eine effektive Maßnahme, um Einbrecher zu verscheuchen. Der robuste Panzer schafft eine natürliche Barriere und verhindert so den direkten Zugang zum Holzfenster. Je nach Gebäudeart oder persönlicher Vorliebe haben Sie die Wahl zwischen Aufsatzrollläden und Vorbaurollläden. Sie unterschieden sich vor allem beim Einbau. Während Vorbaurollläden komplett aus Aluminium gefertigt und auf die Mauerlaibung gesetzt werden, erfolgt die Montage bei Aufsatzrollläden direkt am Fensterrahmen. Stöbern Sie gleich in unserem Online-Konfigurator nach der passenden Kombination für Ihre Anforderungen!

Holzfenster mit Aufsatzrollladen – für Neubau und Sanierung

Holzfenster mit Aufsatzrollladen Detailansicht
Holzfenster mit Aufsatzrollladen Detailansicht

Aufsatzrollläden werden meist an Holzfenstern angebracht, die beim Neubau des Hauses eingesetzt werden oder alte Fenster ersetzen sollen. Dabei wird der Rollladenkasten direkt auf den Fensterrahmen gesetzt und mit ihm gemeinsam in die Maueröffnung eingepasst.

Der Rollladenkasten wird aus Kunststoff gefertigt, während der Panzer aus stabilem Aluminium besteht. Die Rollladenführungsschienen können auf Wunsch auch mit einer Holzverkleidung bestellt und so an das Holzfenster angepasst werden.

Die Revision, also die Wartungsöffnung am Rollladenkasten, kann von der Seite oder von unten erfolgen. Über eine Klappe kann dann von innen auf die Mechanik zugegriffen werden. Eine ebenmäßige Fassadenoberfläche erzielen Sie durch den sog. Putzträger für Rollladen. Er wird direkt auf die vordere Seite des Kastens maßgeschneidert aufgebracht. Mit seiner rauen Oberfläche bewirkt er, dass der Putz optimal hält und der Rollladenkasten somit unsichtbar unter dem Putz verschwindet.

Holzfenster mit Rollladen

Einfach und bequem Holzfenster mit Rollladen online konfigurieren und bestellen bei fensterblick.de

Detailzeichnungen zu der Aufsatzrollladen-Lösung für Holzfenster Softline-68

Drutex Aufsatzrollladen Führungsschiene Holz PD110

Aufsatzrollladen Führungsschiene Holz PD110

Drutex Aufsatzrollladen Führungsschiene Holz PD120

Aufsatzrollladen Führungsschiene Holz PD120

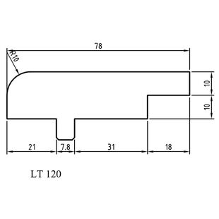
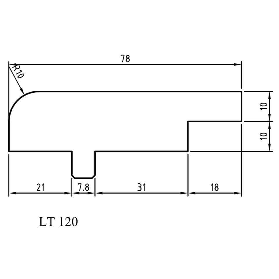
Drutex Aufsatzrollladen Traverse holz LT 120

Aufsatzrollladen Traverse Holz LT 120

Aufsatzrollladen 225mm mit Softline 68 Profil für Holzfenster

Aufsatzrollladen 225mm mit Holzfensterprofil Softline 68

Holzfenster Profile in verschiedenen Bautiefen

Houten kozijnen Softline-68

Houten kozijnen Softline-68 Profiel
  • Dennenhout, meranti of lariks
  • Kozijndiepte 68 mm
  • TPE-afdichtingslaag

vanaf € 97,62

Begin met samenstellen

Houten kozijnen Softline-78

Houten kozijnen Softline-78 Profiel
  • Dennenhout, meranti of lariks
  • Kozijndiepte 78 mm
  • 2 TPE-afdichtingslagen

vanaf € 133,52

Begin met samenstellen

Houten kozijnen Softline-88

Houten kozijnen Softline-88 Profiel
  • Dennenhout, meranti of lariks
  • Kozijndiepte 88 mm
  • 2 TPE-afdichtingslagen

vanaf € 147,99

Begin met samenstellen

Holzfenster mit Vorbaurollladen – zum einfachen Nachrüsten

Haus mit Vorbaurollladen in Braun
Haus mit Vorbaurollladen in Braun

Vorbaurollläden, oder auch Vorsatzrollläden genannt, sind flexibel einsetzbar für neue Gebäude und zum Nachrüsten an bereits bestehenden Bauten. Im Gegensatz zu Aufsatzrollläden werden sie nicht auf den Fensterahmen gesetzt, sondern auf der Mauerlaibung oder an den Fensterrahmen angebracht.

Das hat den Vorteil, dass die Wärmedämmung des Holzfensters nicht beeinträchtig wird. Im Gegenteil, die zusätzliche Luftschicht zwischen Panzer und Glas sorgt für eine bessere Wärme- und Schallisolierung.

Vorbaurollläden werden aus robustem Aluminium gefertigt und können in diversen RAL-Farben lackiert werden. So bilden sie gemeinsam mit dem Holzfenster ein einheitliches Bild oder setzten aufregende Akzente, die Ihre Fassade erstrahlen lassen. Der Rollladenkasten ist in ovaler Form, 45°-Winkel oder als Unterputz-Variante erhältlich. Sie entscheiden also selbst, wie sehr er im Fokus stehen soll. Für noch mehr Komfort können Sie Ihre Holzfenster-Rollläden auch mit einem Rollladen-Insektenschutz oder intelligenten Rollladen-Steuerungssystemen ausstatten.

Gratis levering

Bij een bestelling van 10 ramen of meer in Nederland!

Vraag nu een offerte aan voor houten kozijnen

Das könnte Sie auch interessieren:

Drutex Aufsatzrollladen

Drutex Aufsatzrollladen mit Revision von der Seite

Der Rollladen als Einheit mit dem Fenster für mehr Komfort und Sicherheit

Aufsatzrollladen

Drutex Vorbaurollladen

Vorbaurollladen SKO Rundkasten

Die Außenrollladen bilden ein ideales Schutzsystem vor Sonne, Wind und Wetter

Vorbaurollladen